索乐斯2024夏季盛焰 革新烹饪纪元,全新一代集成烹饪中心璀璨登场
上海电气集团腾恩驰科技
便携式电缆耐压试验装置_常用仪表_其它常用仪表_其它常用仪表_产品库_中国化工仪器网
电子元件和装置
防火漏电报警器 电气火灾监控探测器 电气火灾监控监控系统图片,防火漏电报警器 电气火灾监控探测器 电气火灾监控监控系统图片大全,温州佰诺电气科技-
百试牌继电保护试验箱测量准确,价格实惠-上海百试电气科技
潮州答卷 | 牢记嘱托 自主创新交出漂亮“答卷”
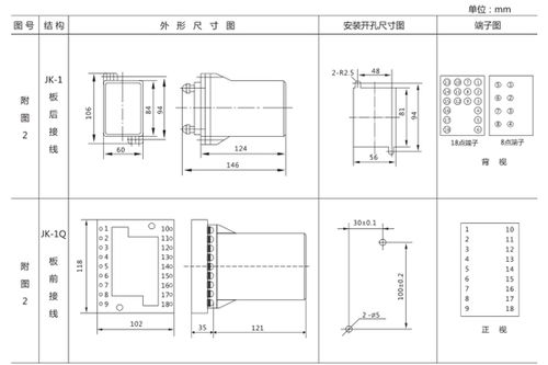
jy 43a电压继电器产品图片及技术参数 上海上继科技
ds 26时间继电器产品图片及产品价格 上海上继科技
为超频而战斗 升技新logo大图再曝光
公司动态 浙江其春电气科技
职 等你来 欧亚2019春季双选会, 职位 遇见你 不只世界500强企业哦
工赋创始人峰会 如何强强联手 共赴 数字化之约
伊法拉电力直销35kv全冷三芯电缆中间接头 供应伊法拉电力直销35kv全冷三芯电缆中间接头
全隔离防雷防暴安全栅图片,全隔离防雷防暴安全栅高清图片 北京正工电子科技有限责任公司,
过欠压脱扣器 品质好的过欠压脱扣器大量供应
上海电气集团电池科技公司开业 e weekly
山东嘉迈龙电气科技电力器材研发制造项目
VT63-VT63振动测量仪-上海九力电气科技
【下载】工业园区智能微电网解决方案
如若转载,请注明出处:http://www.fydqkj.com/product/list-6.html